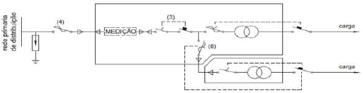
A figura apresenta as plantas de uma subestação abrigada de energia em tensão primária com potência superior a 300 kVA. Observe as plantas da figura para responder à questão.


CEEE-D – Companhia Estadual de Distribuição de Energia Elétrica; AESSUL Distribuidora Gaúcha de Energia S. A.; RGE Rio Grande Energia S.A. RIC-MT:
Regulamento de instalações consumidoras: Média Tensão – Até 25 kV. Porto Alegre, 2008. p. 70.
Considerando que o retângulo com linha contínua representa ambiente abrigado, qual diagrama unifilar descreve a representação genérica da subestação, de acordo com as plantas?
Provas
Questão presente nas seguintes provas
Analista de Infraestrutura - Engenharia Elétrica
60 Questões