Magna Concursos
1929439 Ano: 2019
Disciplina: Engenharia Elétrica
Banca: UFMA
Orgão: UFMA
Provas:

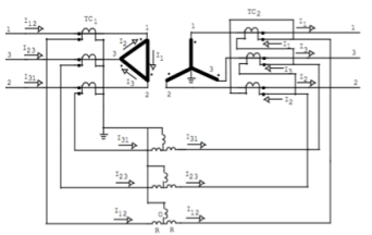
O esquema da figura a seguir corresponde a um esquema de ligação típico de qual função de proteção?

enunciado 1929439-1

 

Provas

Questão presente nas seguintes provas

Engenheiro Eletricista

50 Questões