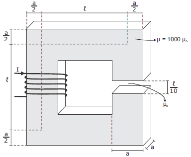
Observe o circuito magnético da figura a seguir, cujas dimensões estão nela definidas. Uma bobina com 200 espiras é percorrida por uma corrente I = 2A. A permeabilidade magnética do entreferro de ar é μ0 , e a permeabilidade magnética do núcleo magnético é μ = 1.000μ0 .

Com base na figura, a relutância magnética do circuito magnético é