- Instalações ElétricasInstalações Industriais e Instalações para Motores
- Transformadores e Máquinas ElétricasMáquinas AssíncronasPartida e Controle de velocidade

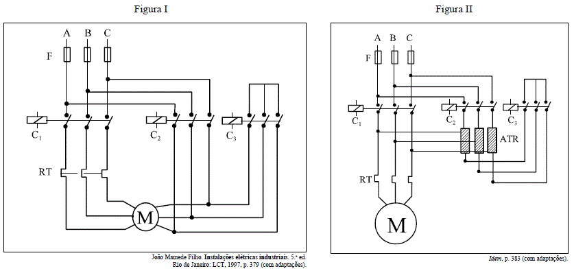
Os motores elétricos de indução, durante a partida, solicitam uma corrente de valor elevado, da ordem de 6 a 10 vezes a sua corrente nominal. Nessas condições, essas sobrecorrentes provocam quedas de tensão nos circuitos de alimentação dos motores, normalmente muito superiores aos limites estabelecidos para o funcionamento em regime normal. Dessa forma, na fase de elaboração de um projeto de acionamento de motoreseminstalações industriais, como, por exemplo, em acionamento de bombas, em ventiladores e em britadores, devese identificar um sistema de partida eficiente para esses motores. Em circuitos sobrecarregados, são usadas, geralmente, chaves estrelatriângulo (Y-•) e chaves compensadoras, ilustradas, respectivamente, nas figuras I e II acima, como forma de suavizar os efeitos da partida dos motores de indução trifásicos. Em relação a essas chaves de partida e com base nas figuras, julgue os itens a seguir.
Para o acionamento de motores de indução trifásicos por meio de chaves estrela-triângulo, é necessário que o motor possua seis bornes ou terminais acessíveis e que a tensão da rede coincida com a tensão do motor em delta.