Magna Concursos
Questões
Planos
Entrar
Entrar
Criar Conta
Respondida
1824932
Ano:
2018
Disciplina:
Engenharia Elétrica
Banca:
UFRPE
Orgão:
UFRPE
Provas:
Engenheiro Eletricista
Provas
×
Medidas Elétricas
Sobre os métodos de medição de potência, assinale a alternativa
correta
.
A
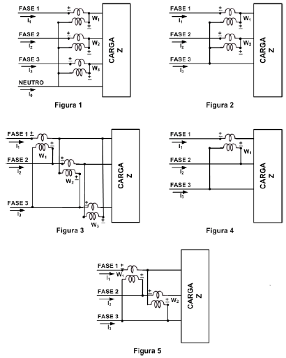
A figura 1 mostra o método dos três wattímetros para medição de potência ativa com a utilização de transformadores de instrumentos.
B
A figura 2 apresenta o método dos dois wattímetros para medição de potência reativa sem a utilização de transformadores de instrumentos.
C
A figura 3 apresenta o método dos wattímetros para medição da potência ativa com a utilização de transformadores de instrumentos.
D
A figura 4 apresenta montagem para medição da potência ativa em circuitos trifásicos.
E
A figura 5 apresenta montagem para medição reativa, apenas em circuitos trifásicos.
Resolver
Comentários
0
×
Cadernos
×
Flashcards
×
Estatísticas
×
Reportar um erro
×
Provas
Questão presente nas seguintes provas
Engenheiro Eletricista
64 Questões
Resolver Prova
Publicar
Responder
Qual o problema da questão?
Selecione uma opção
Questão Desatualizada
Questão Repetida
Gabarito Errado
Outros Motivos
Mensagem
Enviar
Acessar
Criar Conta
Acesse sua Conta
Google
Facebook
Esqueci minha senha
Acessar
Ainda não tem conta?
Crie uma
!
Crie uma Conta
Criar Conta
Olá, para continuar, precisamos criar uma conta!
É
rápido
e
grátis
.
Google
Facebook
Concordo com os
Termos de Uso
Criar
Já tem uma conta?
Acesse aqui