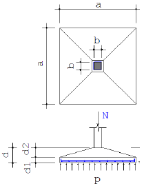
Um engenheiro civil do IFPE precisa analisar projetos contratados pela instituição. Suponha
que ele, ao analisar um desses projetos, encontre uma sapata de base quadrada, representada
abaixo, considerada rígida, a qual não está detalhada. Se ela se destina a suportar um pilar de
seção quadrada de lado b=20cm (considere que o peso próprio da sapata é 5% da carga que ela
suporta) e a carga no pilar é N=500kN, a pressão admissível do solo é p=0,1MPa, e a
resistência do concreto é fck=300Kgf/cm2, qual a menor dimensão para os lados a desta sapata?

