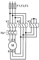
Uma chave de partida automática do tipo Estrela-Triângulo tem seu diagrama de força mostrado na figura a seguir.

Das alternativas apresentadas a seguir, assinale a que indica o ajuste adequado do relé de sobrecarga RS1, sabendo-se que o motor M opera com corrente de linha nominal de 60 A e FS=1,15.