Magna Concursos
3106835 Ano: 2010
Disciplina: Engenharia Eletrônica
Banca: IFS
Orgão: IFS

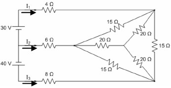
No circuito abaixo, as correntes I1, I2, I3 são respectivamente:

Enunciado 3432940-1

 

Provas

Questão presente nas seguintes provas

Professor PEBTT - Eletrônica

40 Questões