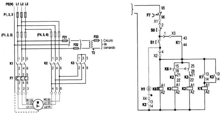
Um grupo de alunos de Eletrotécnica realizou como atividade prática a montagem de uma chave estrela-triângulo, utilizando os diagramas apresentados abaixo. Ao testar o comando, verificou-se que o “led” do relé de tempo sinalizava energização, mas nenhum dos contatores entrava em funcionamento.

É correto afirmar como justificativa do que foi apresentado acima: