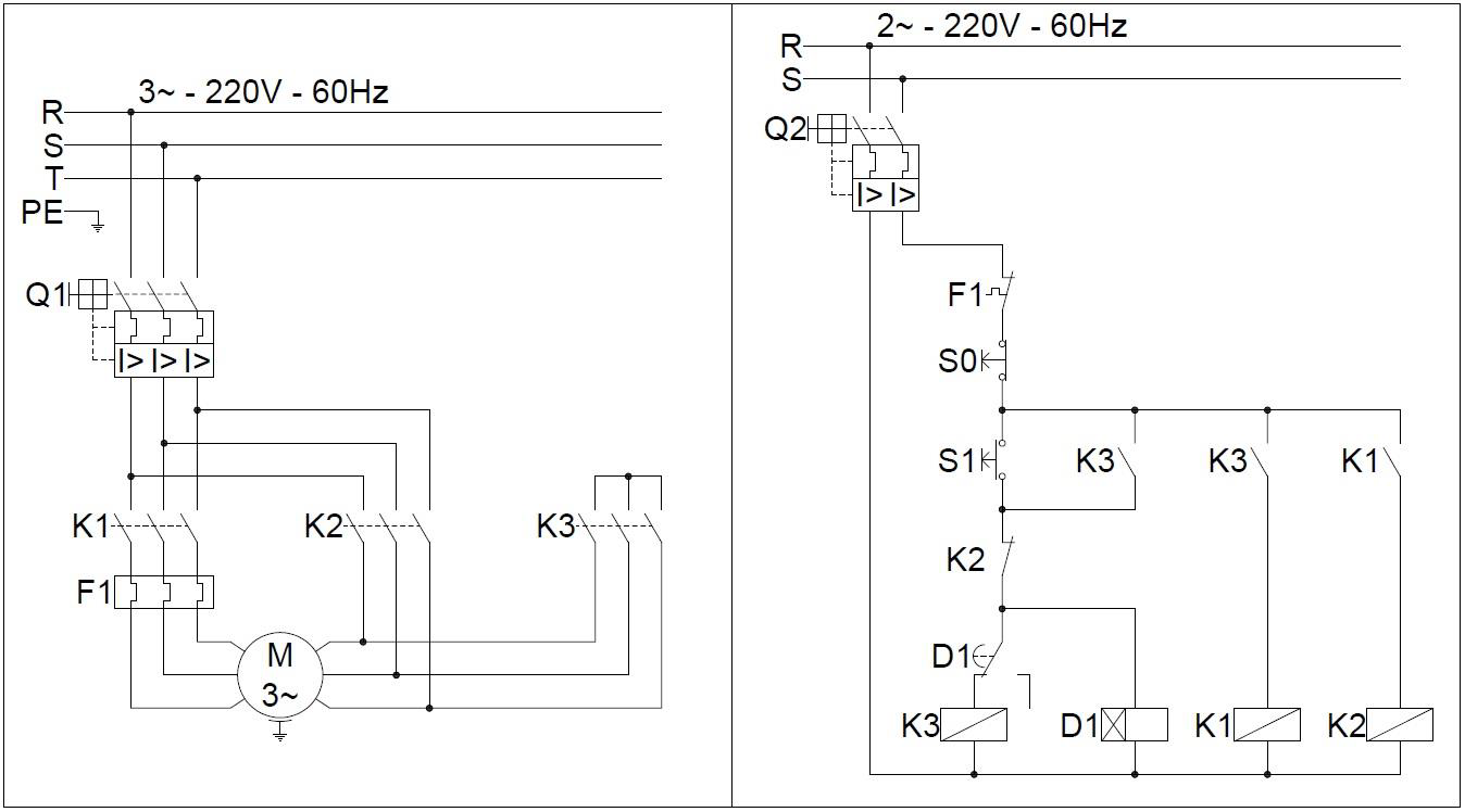
Na figura a seguir, o diagrama de comando apresenta um erro que passou despercebido na elaboração do projeto. Assinale a alternativa que descreve o erro e apresenta uma solução adequada para correção do problema. Considere: NF – normalmente fechado; NA – normalmente aberto.
