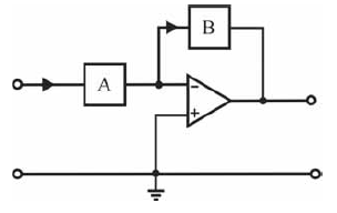
Considerando que, no circuito acima, A e B são impedâncias e o amplificador operacional é ideal, julgue o item a seguir.
Se A e B são impedâncias resistivas, com resistências iguais
a R1 e R2, respectivamente, então a função de transferência do
circuito é