Magna Concursos
2470790 Ano: 2013
Disciplina: Engenharia Eletrônica
Banca: Marinha
Orgão: Marinha

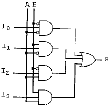
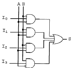
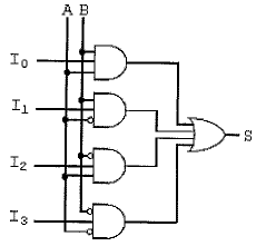
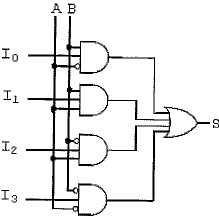
Analise a tabela verdade a seguir.

A B S
0 0 I0
0 1 I1
1 0 I2
1 1 I3

Assinale a opção que corresponde ao circuito multiplex com 4 entradas de sinal ( Io, I1, I2 e I3) e 2 entradas de seleção (A e B) , apresentado na tabela verdade acima.

 

Provas

Questão presente nas seguintes provas