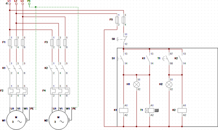
Sobre o esquema de acionamento de dois motores exibido na figura a seguir, analise as assertivas abaixo:

I. O motor M2 é acionado diretamente pela chave S0.
II. O motor M1 é acionado diretamente pela chave S0.
III. O desligamento de todos os motores é realizado na chave S0.
IV. A partida do sistema é realizada pela chave S1.
V. O acionamento do motor M2 é realizado pelo temporizador T1, após algum tempo de funcionamento do motor M1.
Quais estão corretas?