Magna Concursos
73934 Ano: 2009
Disciplina: Engenharia Eletrônica
Banca: FCC
Orgão: INFRAERO
Provas:

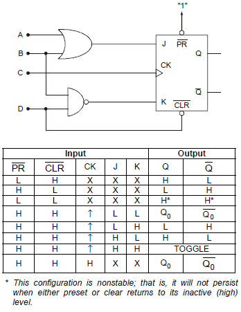
Considere o circuito e a tabela-verdade do Flip-Flop JK.

Enunciado 3454594-1

A carta de tempos do circuito é

 

Provas

Questão presente nas seguintes provas

Técnico de Eletrônica

60 Questões