Magna Concursos
Questões
Planos
Entrar
Entrar
Criar Conta
Respondida
1379366
Ano:
2010
Disciplina:
Engenharia Elétrica
Banca:
IF-SUL
Orgão:
IF-SUL
Provas:
Professor PEBTT - Engenharia Elétrica
Provas
×
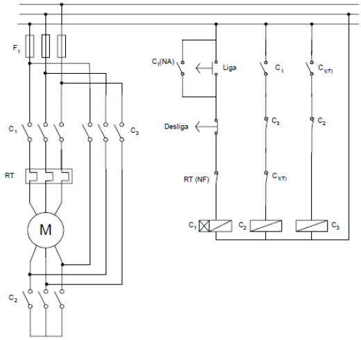
Observe o diagrama.
O diagrama acima representa o esquema de ligação da chave de partida
A
direta.
B
estrela-triângulo.
C
indireta.
D
compensadora.
Resolver
Comentários
0
×
Cadernos
×
Flashcards
×
Estatísticas
×
Reportar um erro
×
Provas
Questão presente nas seguintes provas
Professor PEBTT - Engenharia Elétrica
40 Questões
Resolver Prova
Publicar
Responder
Qual o problema da questão?
Selecione uma opção
Questão Desatualizada
Questão Repetida
Gabarito Errado
Outros Motivos
Mensagem
Enviar
Acessar
Criar Conta
Acesse sua Conta
Google
Facebook
Esqueci minha senha
Acessar
Ainda não tem conta?
Crie uma
!
Crie uma Conta
Criar Conta
Olá, para continuar, precisamos criar uma conta!
É
rápido
e
grátis
.
Google
Facebook
Concordo com os
Termos de Uso
Criar
Já tem uma conta?
Acesse aqui