
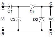
Deseja-se implementar um circuito dobrador de tensão, que recebe como tensão de entrada um sinal senoidal, e fornece como saída um sinal retificado e filtrado, com valor igual ao dobro do valor de pico do sinal senoidal. Um circuito que poderia ser implementado para atender ao especificado é: