Magna Concursos
78066 Ano: 2005
Disciplina: Engenharia Elétrica
Banca: CESGRANRIO
Orgão: Petrobrás

Enunciado 3321847-1

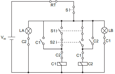
A figura acima apresenta o circuito elétrico de comando de um motor trifásico com controle do sentido de rotação. Com relação a este circuito, considere as afirmações.

I - As lâmpadas LA e LB podem acender simultaneamente, sendo que LA é comandada pelo contator C2.

II - Os contatores C1 e C2 podem ser energizados simultaneamente.

III - A chave S permite desligar o motor quando este estiver em funcionamento.

São verdadeiras as afirmações :

 

Provas

Questão presente nas seguintes provas