No projeto de automação consta uma malha de controle, conforme figura abaixo.

Os elementos indicados em I, II e III, são, correta e respectivamente:
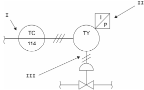
No projeto de automação consta uma malha de controle, conforme figura abaixo.

Os elementos indicados em I, II e III, são, correta e respectivamente: