Magna Concursos
2621758 Ano: 2022
Disciplina: Engenharia Elétrica
Banca: Consulplan
Orgão: ISGH
Provas:

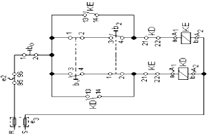
No seguinte diagrama de comando, são contatos de selo e intertravamento, respectivamente:

Enunciado 3556934-1

 

Provas

Questão presente nas seguintes provas

Eletricista

30 Questões