Magna Concursos
Questões
Planos
Entrar
Entrar
Criar Conta
Respondida
124570
Ano:
2010
Disciplina:
Engenharia Eletrônica
Banca:
CESPE / CEBRASPE
Orgão:
INMETRO
Provas:
Pesquisador - Engenharia Eletrônica
Provas
×
Arquitetura na Engenharia Eletrônica
Sistemas Embarcados
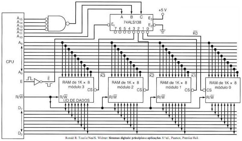
Considerando a figura acima, que mostra um esquema de decodificação de memórias
RAM,
assinale a opção que apresenta a faixa de memória correspondente ao módulo 2, no sistema hexadecimal.
A
0000-03FF
B
0400-07FF
C
0800-0BFF
D
0C00-0FFF
E
0400-05FF
Resolver
Comentários
0
×
Cadernos
×
Flashcards
×
Estatísticas
×
Reportar um erro
×
Provas
Questão presente nas seguintes provas
Pesquisador - Engenharia Eletrônica
70 Questões
Resolver Prova
Publicar
Responder
Qual o problema da questão?
Selecione uma opção
Questão Desatualizada
Questão Repetida
Gabarito Errado
Outros Motivos
Mensagem
Enviar
Acessar
Criar Conta
Acesse sua Conta
Google
Facebook
Esqueci minha senha
Acessar
Ainda não tem conta?
Crie uma
!
Crie uma Conta
Criar Conta
Olá, para continuar, precisamos criar uma conta!
É
rápido
e
grátis
.
Google
Facebook
Concordo com os
Termos de Uso
Criar
Já tem uma conta?
Acesse aqui