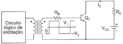
A figura a seguir ilustra um arranjo de excitação de porta isolado por transformador. Similarmente aos optoacopladores, tais transformadores atuam de modo a isolar os sinais de controle ou porta em relação ao comum (terra). Nesse contexto, é correto afirmar que o transformador mencionado trata-se do

Provas
Questão presente nas seguintes provas