Magna Concursos
Questões
Planos
Entrar
Entrar
Criar Conta
Respondida
790620
Ano:
2015
Disciplina:
Engenharia Eletrônica
Banca:
IF-SUL
Orgão:
IF-SUL
Provas:
Professor PEBTT - Processos Industriais/Área 08
Provas
×
Amplificadores Operacionais, Diferenciais e de Potência
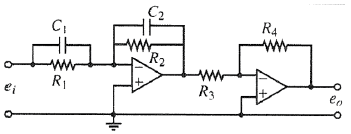
Observe o circuito com amplificador operacional abaixo:
Este circuito é usado como compensador com ação de controle
A
em avanço ou atraso.
B
em avanço e atraso.
C
PI.
D
PID.
Resolver
Comentários
0
×
Cadernos
×
Flashcards
×
Estatísticas
×
Reportar um erro
×
Provas
Questão presente nas seguintes provas
Professor PEBTT - Processos Industriais/Área 08
40 Questões
Resolver Prova
Publicar
Responder
Qual o problema da questão?
Selecione uma opção
Questão Desatualizada
Questão Repetida
Gabarito Errado
Outros Motivos
Mensagem
Enviar
Acessar
Criar Conta
Acesse sua Conta
Google
Facebook
Esqueci minha senha
Acessar
Ainda não tem conta?
Crie uma
!
Crie uma Conta
Criar Conta
Olá, para continuar, precisamos criar uma conta!
É
rápido
e
grátis
.
Google
Facebook
Concordo com os
Termos de Uso
Criar
Já tem uma conta?
Acesse aqui