Considere o circuito a seguir:

Assinale a alternativa que apresenta a parte inteira da potência em Watts dissipada no resistor de \( 5\Omega \).
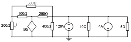
Considere o circuito a seguir:

Assinale a alternativa que apresenta a parte inteira da potência em Watts dissipada no resistor de \( 5\Omega \).