Magna Concursos
69105 Ano: 2007
Disciplina: Engenharia Elétrica
Banca: Marinha
Orgão: Marinha

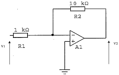
Analise o circuito a seguir.

Enunciado 3347982-1

Considerando o amplificador operacional ideal do circuito acima, qual é a relação V2/V1?

 

Provas

Questão presente nas seguintes provas

Corpo Auxiliar de Praças - Eletrônica

50 Questões