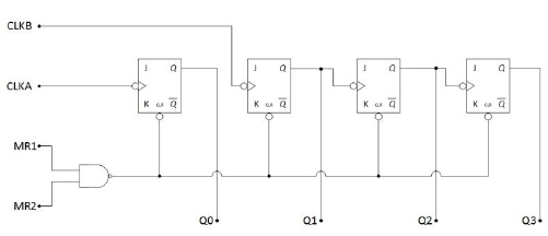
O circuito 74LS93, cujo esquemático pode ser visto abaixo, é um circuito integrado que permite a implementação de contadores assíncronos. Num experimento laboratorial, pretende-se implementar um contador de década usando esse circuito (desprezando eventuais glitches). Considerando as opções abaixo e sabendo que o circuito já está corretamente alimentado e que existe uma fonte externa de sincronismo (chamada CLOCK), assinale a alternativa CORRETA correspondendo à conexão adequada dos sinais para implementar o contador pretendido:
