Magna Concursos
1638052 Ano: 2018
Disciplina: Engenharia Eletrônica
Banca: FUMARC
Orgão: CEMIG
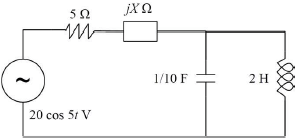
No circuito abaixo, a reatância X, de modo que a impedância vista pela fonte seja real, é:
Enunciado 2877470-1
 

Provas

Questão presente nas seguintes provas

Técnico - Projetos de Sistemas Elétricos I

70 Questões