Magna Concursos
828581 Ano: 2012
Disciplina: Engenharia Eletrônica
Banca: FCC
Orgão: TRT-6
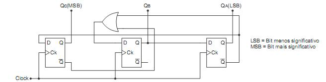
Para o contador em anel, representado abaixo, considere o estado inicial em zero.

enunciado 828581-1

Após seguidos pulsos de clock, pode-se verificar que o módulo principal de contagem, em decimal, é:
 

Provas

Questão presente nas seguintes provas

Analista Judiciário - Engenharia Elétrica

60 Questões