Magna Concursos
3519676 Ano: 2013
Disciplina: Engenharia Eletrônica
Banca: FCC
Orgão: MPE-MA

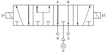
Considere o dispositivo abaixo.

Enunciado 4475050-1

Trata-se de uma válvula eletropneumática

 

Provas

Questão presente nas seguintes provas

Analista Ministerial - Engenharia Elétrica

60 Questões