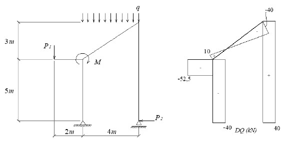
O pórtico isostático biapoiado, ilustrado na figura abaixo, encontra-se submetido a uma taxa de carregamento uniforme, duas forças concentradas e uma carga momento concentrada.

Fonte: Autoria própria.
Considerando-se o diagrama de força cortante (DQ) do pórtico, conclui-se que o valor M da carga momento aplicada é de