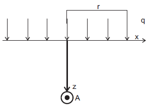
A figura a seguir apresenta a aplicação de uma carga distribuída circular de raio r e intensidade q sobre um terreno.

Utilizando a fórmula de Love, o acréscimo de tensão vertical no ponto A, por causa da aplicação da carga q para z = r, vale
Provas
Questão presente nas seguintes provas
Analista de Planejamento - Engenharia Civil
70 Questões