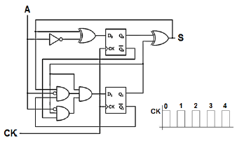
No circuito sequencial apresentado na figura a seguir, o estado inicial (pulso 0) apresenta os seguintes estados A=0, Q0=1, Q1=1 e S0=1:

Após o circuito receber quatro pulsos de clock consecutivos (1, 2, 3 e 4), quais os estados assumidos pela saída S após cada pulso de clock?