
Com base no circuito elétrico em corrente contínua da figura precedente, julgue o item subsequente.
A queda de tensão em R será igual ao dobro da queda de tensão em 2R, independentemente do valor de R.

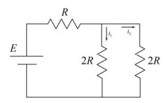
Com base no circuito elétrico em corrente contínua da figura precedente, julgue o item subsequente.
A queda de tensão em R será igual ao dobro da queda de tensão em 2R, independentemente do valor de R.