Magna Concursos
763470 Ano: 2016
Disciplina: Engenharia Civil
Banca: FCC
Orgão: TRT-20
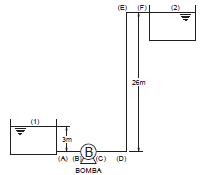
O sistema de recalque, representado na figura abaixo, deve elevar água do reservatório (1) para o reservatório (2), com vazão de 12 litros por segundo. enunciado 763470-1
A perda de carga nos trechos A-B, C-D, D-E e E-F são, respectivamente, 1 m, 2 m, 6 m e 1 m. Se o rendimento da bomba for 88%, a potência requerida para a bomba é, em CV,
 

Provas

Questão presente nas seguintes provas

Analista Judiciário - Engenharia Civil

60 Questões