1327947
Ano: 2012
Disciplina: Engenharia Elétrica
Banca: UFAL
Orgão: Pref. Palmeira Índios-AL
Disciplina: Engenharia Elétrica
Banca: UFAL
Orgão: Pref. Palmeira Índios-AL
Provas:
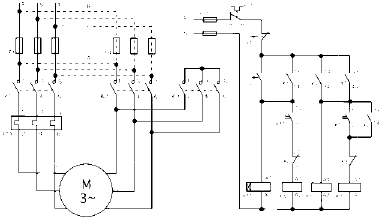
A figura abaixo representa o circuito de uma chave de partidas de motores elétricos de Indução.

Esta chave denomina-se