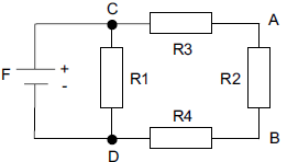
Analise o circuito a seguir, no qual R1 = 300 Ω, R2 =100 Ω, R3 = 200 Ω, R4 = 300 Ω e F = 30 V.

Sobre o circuito, é correto afirmar que
Provas
Questão presente nas seguintes provas
Analise o circuito a seguir, no qual R1 = 300 Ω, R2 =100 Ω, R3 = 200 Ω, R4 = 300 Ω e F = 30 V.

Sobre o circuito, é correto afirmar que