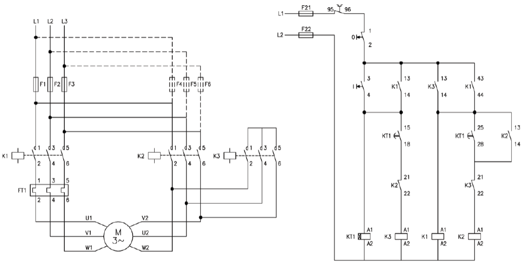
Para se reduzir a corrente de partida de motores, um dos métodos empregados é a utilização da chave de partida estrela-triângulo conforme o esquema multifilar a seguir. Considerando o esquema apresentado, é correto afirmar que:

Para se reduzir a corrente de partida de motores, um dos métodos empregados é a utilização da chave de partida estrela-triângulo conforme o esquema multifilar a seguir. Considerando o esquema apresentado, é correto afirmar que:
