Considere o diagrama de força mostrado na figura a seguir.

(Arquivo pessoal; imagem usada com autorização)
Durante a partida do motor M1, é(são) acionado(s) o(s) contator(es):
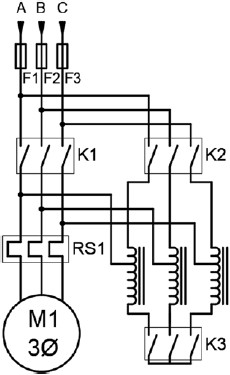
Considere o diagrama de força mostrado na figura a seguir.

(Arquivo pessoal; imagem usada com autorização)
Durante a partida do motor M1, é(são) acionado(s) o(s) contator(es):