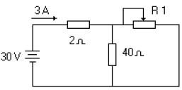
No circuito abaixo, R1 é um resistor variável, sendo seu valor, para as condições dadas, igual a ohms.

Provas
Questão presente nas seguintes provas
CFS - Aeronavegantes e Não-Aeronavegantes
100 Questões
CFS - Controle de Tráfego Aéreo
100 Questões