Analise o circuito abaixo:

Com a fonte de tensão do circuito com módulo igual a 60 Volts eficazes, o módulo da tensão eficaz de Thévenin e a impedância de Thévenin visto dos terminais A e B do circuito abaixo corresponde a:
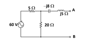
Analise o circuito abaixo:

Com a fonte de tensão do circuito com módulo igual a 60 Volts eficazes, o módulo da tensão eficaz de Thévenin e a impedância de Thévenin visto dos terminais A e B do circuito abaixo corresponde a: