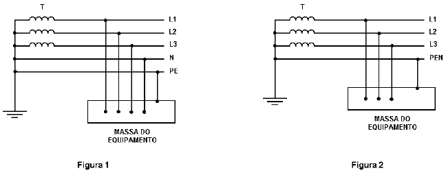
As Figuras 1 e 2 mostram esquemas de aterramento utilizados em instalações elétricas de baixa tensão, conforme a NBR 5410.

Nestas Figuras, T é o secundário do transformador, L1, L2 e L3 são as fases, N é o neutro, PE é o condutor de proteção e PEN é o condutor de proteção e neutro. De acordo com tais informações, os esquemas de aterramento das referidas Figuras são denominados, respectivamente,