
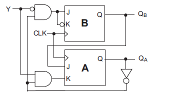
Quando o circuito ilustrado na figura acima estiver no estado QBQA = 00, com Y = 1, os flip-flops B e A executarão, respectivamente, as operações de

Quando o circuito ilustrado na figura acima estiver no estado QBQA = 00, com Y = 1, os flip-flops B e A executarão, respectivamente, as operações de