Magna Concursos
363266 Ano: 2009
Disciplina: Física
Banca: CESGRANRIO
Orgão: SFE-RJ
Provas:

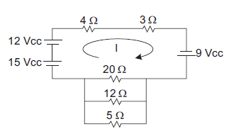
Enunciado 363266-1

Utilizando a Lei de Kirchhoff para tensões, analise o circuito acima e determine o valor da corrente (I).

 

Provas

Questão presente nas seguintes provas

Técnico de Operação

50 Questões