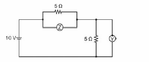
Considerando que o circuito elétrico mostrado abaixo possua um amperímetro e um voltímetro ideais, que a medição do instrumento Y indique 2 unidades de sua respectiva grandeza medida e que, similarmente, Z indique 10 unidades de medida, então é correto afirmar que Y é um amperímetro e Z é um voltímetro.

Provas
Questão presente nas seguintes provas
Tecnologista do INPI - Topografia de Circuitos
160 Questões