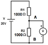
Sabendo-se que na escala de tensão contínua o voltímetro representado na figura possui impedância de 1000 !$ \Omega !$, o valor de tensão medido nos pontos A e B é:

Provas
Questão presente nas seguintes provas
Técnico em Metrologia e Qualidade - Eletrônica
60 Questões