Considere a figura a seguir, que representa o circuito equivalente de um transformador:

Com base na figura e levando em conta as não idealidades presentes nos transformadores de potência, é correto afirmar:
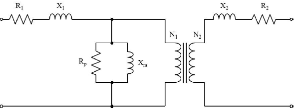
Considere a figura a seguir, que representa o circuito equivalente de um transformador:

Com base na figura e levando em conta as não idealidades presentes nos transformadores de potência, é correto afirmar: