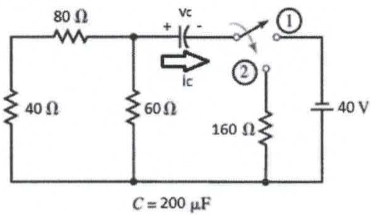
Examine a figura abaixo.

Suponha que o capacitar na figura acima esteja inicialmente descarregado. Em t = 0 s, a chave é comutada para a posição 1 e, após 100 ms, é mudada para a posição 2. A corrente ic com a chave na posição 2 é igual a:
Provas
Questão presente nas seguintes provas