Magna Concursos
2190271 Ano: 2011
Disciplina: Engenharia Elétrica
Banca: CESGRANRIO
Orgão: Petrobrás
Enunciado 3105894-1
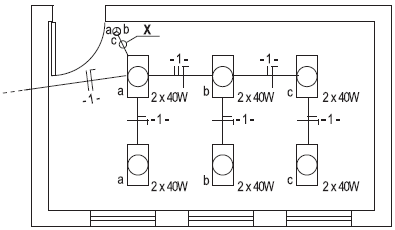
A figura acima mostra parcialmente o diagrama elétrico de uma sala de aula. O sistema de iluminação da sala é alimentado pelo mesmo circuito e é composto por três fileiras de pontos de luz, sendo que cada fileira pode ser acionada independente uma da outra.
De acordo com esse esquema elétrico, a representação dos condutores que passam pelo eletroduto X é
 

Provas

Questão presente nas seguintes provas

Técnico de Manutenção - Elétrica

60 Questões