
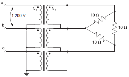
No circuito da figura acima, os transformadores monofásicos são idênticos e ideais. O sistema é alimentado por uma fonte balanceada, cujo valor rms da tensão fase-fase é de 1.200 V.
Sabendo-se que a potência total dissipada no banco de resistores é de 3 kW, o valor da relação N1/N2 é