Magna Concursos
3264256 Ano: 2014
Disciplina: Engenharia Elétrica
Banca: UFPR
Orgão: UNILA

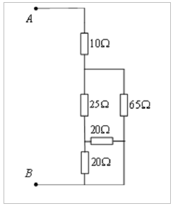
Considere o circuito elétrico abaixo.

Enunciado 3588413-1

A resistência equivalente, vista entre os terminais A e B, é igual a:

 

Provas

Questão presente nas seguintes provas

Técnico - Eletroeletrônica

40 Questões