
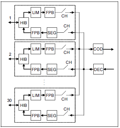
HIB – junção híbrida; LIM – limitador; FPB – filtro passa-baixas; SEG – segurador de tensões (sample and hold); CH – chave de amostragem; COD – codificador PCM; DEC – decodificador.
Considerando o equipamento multiplex PCM de 30 canais ilustrado acima, julgue o item que se segue.
Em cada unidade, encontra-se uma junção híbrida (HIB). Essa junção permite a transformação de dois para quatro fios e tem a função de transformar a comunicação half-duplex em full-duplex, no sentido do HIB para o COD. Além disso, a HIB possibilita a amplificação dos sinais transmitido e recebido.
Provas
Questão presente nas seguintes provas
Analista Gerencial - Rede de Telecomunicações
120 Questões